Мощный термостабилизатор.

Устройство предназначено для поддержания постоянной температуры различных объектов. Его можно использовать для сушки фотоматериалов, обеспечения нужной температуры фоторастворов, для оснащения термошкафов.

Основные технические характеристики:

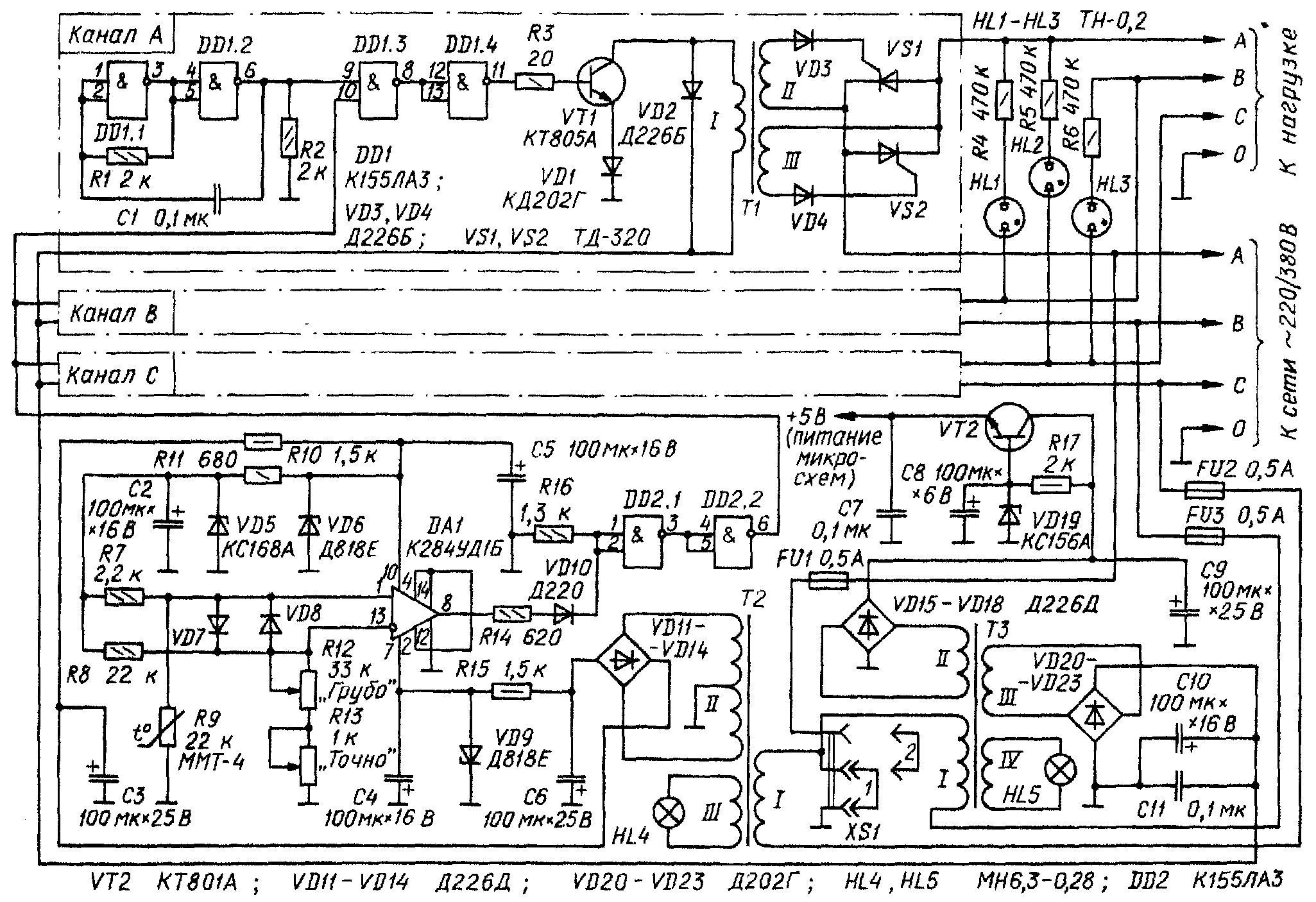
Термостабилизатор состоит из электронного термореле (см. принципиальную схему) и трех одинаковых фазных каналов регулирования мощности. В состав термореле входят компаратор напряжения на ОУ DA1 и формирователь управляющих импульсов на элементах DD2.1, DD2.2. Каждый канал включает в себя генератор импульсов на элементах DD1.1. DD1.2, электронный коммутатор DD1.3, инвертор DD1.4, усилитель тока на транзисторе VT1, нагруженном импульсным трансформатором Т1, и триннсторный ключ VS1, VS2. С выхода термореле на нижний (по схеме) вход элемента DD1.3 поступает сигнал высокого уровня, который разрешает прохождение импульсов с генератора .через инвертор на базу транзистора. Диод VD1 способствует более надежному закрыванию транзистора VT1. а диод VD2 защищает его от напряжения самоиндукции первичной обмотки трансформатора Т1. Датчиком температуры термореле служит терморезистор R9. Он включен в измерительный резистивный мост R7R8R12R13, питаемый стабилизированным напряжением. Термореле питается от выпрямителя VD11 —VD14, подключенного к сетевой обмотке трансформатора Т2. Второй сетевой трансформатор служит для питания транзисторного усилителя тока фазных каналов и микросхем термостабилизатора.

В положении 1 перемычки XS1 термостабилизатор рассчитан на питание от трехфазной сети напряжением 220 В. При необходимости питания от сети напряжением 380 В вилку переключателя XS1 надо переставить в положение 2. Трансформаторы Т1 во всех каналах одинаковые и намотаны проводом ПЭВ-2 0,41 на кольцевых магнитопроводах типоразмера К31Х 18,5X7 из феррита 2000НН. Обмотка I содержит 30, а обмотки II и III — по 80 витков. Трансформатор Т2 выполнен на магнитопроводе Ш20х28. Первичная обмотка — 1430 витков провода ПЭЛ 0,18, обмотки II и III — соответственно 2X99 и 29 витков провода ПЭЛ 0,35. Сетевой трансформатор Т3 блока питания каналов — готовый мощностью около 30 Вт. Его первичная обмотка рассчитана на напряжение 220 В. Обмотка II должна обеспечивать напряжение 6,5 В при токе нагрузки 0.3 А, III — 7,5 В (3 А), IV - 6 В (0,3 А). Транзистор КТ805А (VT1) можно заменить на КТ803, КТ802 с любым буквенным индексом, КТ801А — на КТ602А. В устройстве использованы конденсаторы К52-1 (С2, С3, С5, С6), К50-16 (СЮ), К50-6 (С7~-С9), МБМ (остальные). Резисторы R12, R13 — любого типа группы А. Термостабилизатор собирают в металлическом кожухе. Тринисторы VS1 —VS6 и транзисторы фазных каналов устанавливают на теплоотводы. Разъемы для подключения сети и нагрузки должны быть рассчитаны на соответствующие напряжение и мощность.

Налаживание устройства начинают с проверки напряжения питания микросхем. Если оно отличается от номинального, необходимо подобрать стабилитрон VD19. Затем проверяют работу каждого из фазных каналов. Для этого отключают проводник от вывода 10 элемента DD1.3 и этот вывод временной перемычкой соединяют с выводом 9. На вторичных обмотках трансформатора Т1 должны сформироваться импульсы, открывающие тринисторы. Далее подключают к гнездам нагрузки осветительные лампы (220 В, 60 Вт), и по их зажиганию убеждаются в работоспособности канала. После этого резисторами RI2, R13 устанавливают требуемую температуру объекта и восстанавливают соединение входов элемента DD1.3 согласно схеме. Следует отметить, что для более четкой работы термореле желательно корпус терморезистора соединить с общим проводом, а провод, идущий от терморезистора к электронному блоку, экранировать.

Термостабилизатор может работать и от однофазной осветительной сети. В этом случае его можно упростить, оставив только один из трех каналов. Поскольку мощность нагрузки канала не должна превышать 2 кВт, тринисторы ТД-320 целесообразно заменись на КУ202Н, уменьшив число витков вторичной обмотки трансформатора ТІ (во всех каналах) до 25.

Ю. ПАХОМОВ, А. МЕРЗЛИКИН, г. Москва

Радио № 2, 1988 г.

Назад